Valutazione immobiliare indipendente, accurata e gratuita
Casa semindipendente in vendita a Canicattì a 37.345 € (cod.658f8ef3)
Caasa non ha sufficienti informazioni per commentare la casa semindipendente in vendita a Canicattì - 658f8ef3.
Analisi immobiliare
I dati in posseso di Caasa per quest'immobile sono insufficienti, inaffidabili o contraddittori per proporre un'analisi attendibile.
Mercato immobiliare a Canicattì
Per quanto riguarda più in generale la città di Canicattì, sono presenti al momento più di 300 annunci per
case semindipendenti in vendita (quasi il 20% dell'intera provincia) .
La dinamica dei prezzi in tutta la città mostra che negli ultimi 6 mesi, i prezzi per case semindipendenti in vendita sono
sostanzialmente stabili (+0,21%).
NOVITÀ Il risultato che vedi dipende dai dati che siamo riusciti ad estrarre dall'annuncio: ottieni una stima più accuranta di questo immobile, inserendo dati più precisi.
N.B. L'Opinione di Caasa® è un servizio sperimentale realizzato tramite tecniche di Intelligenza Artificiale, fornito senza alcuna garanzia di correttezza e completezza. Leggi il disclaimer o segnalaci un problema.
IMMAGINI
IN SINTESI
PROPOSTO DA:
Immobili all'Asta
DESCRIZIONE
da ristrutturare in asta giudiziaria da ristrutturare senza ascensore
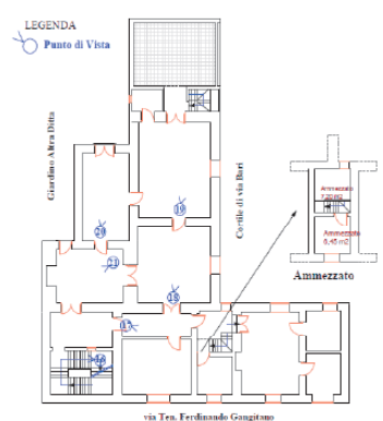
ABITAZIONI IN ASTA, VIA T. F. GANGITANO, CANICATTI' (AG) Si propone il diritto di piena proprietà su immobile ad uso residenziale sito in via Tenente Federico Gangitano, nel comune di Canicattì (AG). Nello specifico si tratta di un 2 abitazioni poste su due livelli, composte da: Abitazione 1: al piano primo, composta da 10,5 vani Abitazione 2: al piano secondo e sottotetto, composta da 8 vani. ACCESSORI - 2 magazzini. L'unità risulta avere una superficie complessiva di circa 586mq. DATI CATASTALI Foglio 55, mappale 7818, sub. 3, categoria A/5, classe 2, superficie catastale totale 54 mq, composto da vani 2,5 vani. Foglio 55 mappale 7818 sub 2 graffata alla subalterno part.lla 5650 sub 2, categoria A/2, classe 2, superficie catastale Totale: 205 mq, vani 8 vani, rendita: €. 495,80. CHI SIAMO Immobiliallasta.it aiuta le persone a comprare casa all'asta e migliorare la qualità della loro vita senza correre rischi, grazie ad una piattaforma specializzata in aste immobiliari sviluppata intorno alle vere esigenze di chi cerca casa all'asta e ad un team di 30 professionisti esperti dedicato, che ti guida passo passo in un acquisto sicuro e certificato da una tripla garanzia sull'immobile e sul servizio. A differenza delle agenzie troverai: + Varietà: gestiamo migliaia di immobili ogni mese + Aiuto concreto: consulenti focalizzati nell'aiutarti a raggiungere il tuo obiettivo + Tranquillità: tripla garanzia che ti tutela da ogni rischio sull'acquisto Alcuni risultati oggettivi nell'ultimo anno e mezzo: - +500 clienti portati all'asta - +200 case aggiudicate, per un valore totale di 15 milioni - +7 milioni risparmiati nell'acquisto Contattaci subito per parlare con uno dei nostri consulenti che ti aiuterà a trovare la casa all'asta senza correre rischi



